SE Digilert 100云母窗盖格
2024-06-28
某天,我在逛一个电商平台,这平台盖格或核素什么的并不多,所以我对能找到云母窗盖格并不抱太大期望

直到我看到了这个
700?!
这东西2手至少能买5000NTD,这人竟然标价700,我都以为我在做梦
后来顺利的花700买了这台,以下是实际操作
(视频不知为何失效了 没差 想知道的来私信我就好
用的是烟雾感测器里的镅源 29.6KBq Am-241
由于是云母窗因此能探测到alpha射线
通常云母窗厚度只有几微米, 整体加工难度高,所以云母端窗价格通常不低于700
这也是我对普通电商能出现700元云母窗盖格感到惊讶的原因之一
这台盖格已经停产多年,SE公司目前生产大面积云母窗(又称饼管)盖格

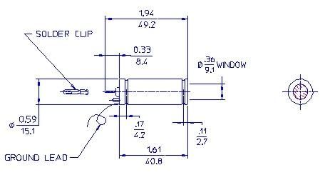
LND 712 盖格管

LND712内部构造

这台盖格用的是LND712云母窗盖格管
以下是该设备的一些主要参数:
探测器类型:
无能量补偿的端窗盖革-弥勒探测器(Geiger-Mueller tube),带有厚度为 1.5-2.0 mg/cm² 的端窗
探测范围:
Alpha、Beta、Gamma 和 X 射线
测量范围:
脉冲频率:0-5000 CPM (Counts Per Minute)
剂量率:0.001-110 mR/hr 或 0.01-1100 μSv/hr
灵敏度:
对 Cs-137 (137铯) 的灵敏度为每分钟 1000 CPM = 14 μSv/hr
精度 : ±10%尺寸和重量:
尺寸:约 150 mm x 80 mm x 30 mm
电池 : 9V普通电池一节
重量:约 300 克(包括电池)
数据输出:具有 RS-232 接口,用于数据输出和连接电脑总结
这台盖格还有计时功能,最多能记录40小时内的Count数
优点 : 外壳厚让其比其他盖格耐摔耐撞,能数据输出,有多个不同档位能切换单位,有CPM跟CPS,可自定警报阈值,有静音模式加耳机接口
缺点 : 云母窗口小,重量稍重,体积稍大,开机不久会发出哔声代表进入正常工作状态,但无法关闭,在某些场合或许会造成困扰
